Дача возле ж/д Бояры
35 233 р.
Тип
Участок
Общая
Жилая
Описание
Адрес: СТ “Бояры” - 86, ул. Центральная, уч. 23
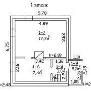
Планировка и размеры дома:
Размеры дома по периметру: 6,75 м *5,78 м.
Дом: общая площадь с мансардой, цоколем - 74,4 кв.м., общая жилая площадь 46 кв.м., цокольный этаж 28,4 кв.м.
В цоколе: кухня 10,4 кв.м., баня 5,1 кв.м.,
На 1 этаже: две жилые комнаты: одна проходная 7,4 кв.м. вторая (раздельная) 17,7 кв.м.,
Мансарда: жилая комната 11,6 кв.м.
Характеристика строения, коммуникации:
Дом бревенчатый, обложен кирпичем, 2008 года построения.
Между цоколем и первым этажем – ж/б перекрытие.
Установлены деревянные окна.
Кровля – шифер, гидроизоляция - рубероид.
Отопление – установлены добротные раздельные печи: в цоколе, на первом этаже, в мансарде установлен камин.
Коммуникации в доме: электричество 220, вода – сезонный водопровод, заведена в дом (цоколь); канализация – вкопана бочка, вода уходит в землю.
Участок:
4,06 сотки, частная собственность. Расположен на возвышенности (холмистый рельеф), высажен взрослый плодоносящий сад.
На участке кроме жилого дома: хозяйственная постройка для хранения, рядом оборудован санузел уличный (ведро).
Участки не озаборены.
Инфраструктура рядом:
СТ находится в 50 км от Минска.
Товарищество небольшое, 85 домиков, вплотную примыкает лес.
В сезон регулярно приезжает автолавка.
В двух км ходьбы от домика - ж/д станция Бояры, здесь же – ближайший магазин.
В 2 км ходьбы – река Уша.
Можно добраться:
На машине: 50 минут от края кольцевой.
Своим ходом: электричкой Минск - Молодечно, до участка 25 минут ходьбы (2,0 км).
Не упустите шанс приобрести эту недвижимость!
Отличная локация для загородного отдыха!
Звоните и записывайтесь на просмотр!
Параметры объекта
- Тип объекта
Дача
- Площадь участка
4.06 сотки
- Площадь общая
74.4 м²
- Площадь жилая
46 м²
- Площадь кухни
10.6 м²
- Уровней в доме
3
- Год постройки
2008
- Процент готовности
100
- Материал стен
Кирпичный
- Ремонт
Отделка деревом
- Мебель
Есть
- Отопление
Печное
- Газ
Баллон
- Канализация
С/у на улице
- Электроснабжение
Есть
- Вода
Центральный водопровод
- Баня
Есть
- Камин
Да
- Статус земли
Частная собственность
- Условия продажи
Чистая продажа
- Номер договора
9/2 от 12.03.2026
Инфраструктура
Рядом лес
Сад
Хозпостройки
Наталья Гапутина
Агент по недвижимости
Примечание
Местоположение
- Область
- Район
- Населенный пункт
- Сельсовет
Красненский с/с
- Направление
Молодечненское, 50 км от МКАД
- Координаты
54.178338, 27.078708
